Муфта угловая с внутренней и наружной резьбой 1" - F.I.V.
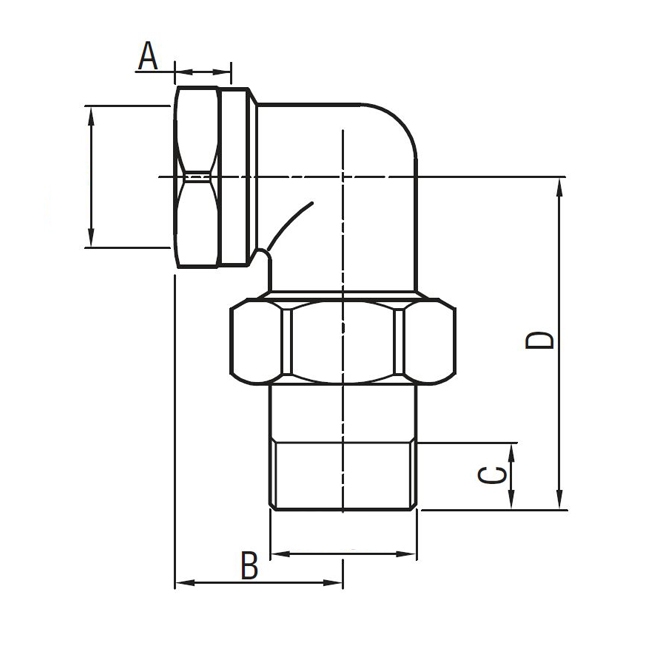
Муфта угловая, никелированная, с внутренней и наружной резьбой с конусным уплотнением.
Размеры (A, B, C, D), мм: 12, 34, 14, 63.
Вес, гр: 374.
Резьба: 1.
Производитель: F.I.V. (Италия)
Подробная информация доступна после регистрации







